จัดส่งรวดเร็ว
จัดส่งด่วน 30 วัน



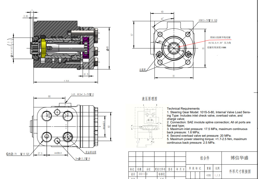
หน่วยบังคับเลี้ยว 101S-5-80 เป็นหน่วยบังคับเลี้ยวไฮดรอลิกที่แข็งแกร่งและปรับแต่งได้ โดยมีปริมาตรกระบอกสูบ 80 ซีซี/รอบ ออกแบบมาสำหรับการใช้งานที่หลากหลายในการจัดการวัสดุ, การก่อสร้าง, การเกษตร และยานพาหนะอุตสาหกรรม มีแรงดันอินพุตสูงสุด 17.5 MPa และสร้างจากเหล็กหล่อที่ทนทาน เหมาะสำหรับ OEM และผู้จัดจำหน่ายที่มองหาโซลูชันการบังคับเลี้ยวที่มีประสิทธิภาพสูงและเชื่อถือได้
| ซีรีส์ 10 ชุดพวงมาลัย Parameters | |
|---|---|
| ปริมาตรกระจัด | 50 มล./รอบ, 63 มล./รอบ, 100 มล./รอบ, 80 มล./รอบ, 125 มล./รอบ, 160 มล./รอบ, 200 มล./รอบ, 250 มล./รอบ, 280 มล./รอบ, 315 มล./รอบ, 400 มล./รอบ |
| วัสดุ | เหล็กหล่อ |
| อัตราการไหลที่กำหนด | 5 ลิตร/นาที, 6 ลิตร/นาที, 8 ลิตร/นาที, 10 ลิตร/นาที, 12.5 ลิตร/นาที, 16 ลิตร/นาที, 20 ลิตร/นาที, 25 ลิตร/นาที, 28 ลิตร/นาที, 31.5 ลิตร/นาที, 40 ลิตร/นาที |
| บล็อกวาล์ว | ปรับแต่งได้ |
| ความดันกลับต่อเนื่องสูงสุด | 2.5 Mpa |
| ความดันขาเข้าสูงสุด | 17.5 Mpa |
หน่วยบังคับเลี้ยว 101S-5-80 เป็นหน่วยบังคับเลี้ยวไฮดรอลิกประสิทธิภาพสูง ออกแบบมาสำหรับการใช้งานที่ต้องการความแม่นยำสูง ปริมาตรกระบอกสูบ 80 ซีซี/รอบ ให้การไหลที่เพียงพอสำหรับการควบคุมการบังคับเลี้ยวที่มีประสิทธิภาพ ตัวเครื่องสร้างจากเหล็กหล่อที่ทนทาน เพื่อประสิทธิภาพที่ยาวนานและทนทานต่อการสึกหรอ แรงดันอินพุตสูงสุด 17.5 MPa ช่วยให้การทำงานเชื่อถือได้แม้ภายใต้ภาระหนัก บล็อกวาล์วที่ปรับแต่งได้ช่วยให้การรวมเข้ากับเครื่องจักรเป็นไปอย่างยืดหยุ่นในการออกแบบเครื่องจักรที่หลากหลาย ทำให้เป็นโซลูชันที่หลากหลายสำหรับการใช้งานที่แตกต่างกัน อัตราการไหลที่ 8 ลิตร/นาที ให้ประสิทธิภาพสูงสุดในเครื่องจักรที่หลากหลาย เรามีบริการผลิต, OEM, ODM, การติดฉลากส่วนตัว และตัวเลือกการค้าส่ง 101S-5-80 เหมาะสำหรับการใช้งานที่หลากหลาย เช่น รถยก, รถเทเลแฮนด์เลอร์, รถตักตีนตะขาบขนาดเล็ก, รถตักล้อยางขนาดกะทัดรัด, รถขุดขนาดเล็ก, รถแทรกเตอร์, รถแบ็คโฮ, รถเกี่ยวข้าว และเครื่องอัดฟาง เรากำลังมองหาตัวแทนจำหน่าย, ผู้ค้าส่ง, ตัวแทน และผู้ค้า เพื่อขยายการเข้าถึงทั่วโลกของเรา ติดต่อเราเพื่อหารือเกี่ยวกับความต้องการเฉพาะของคุณ และสำรวจความเป็นไปได้ในการเป็นพันธมิตร



