จัดส่งรวดเร็ว
จัดส่งด่วน 30 วัน



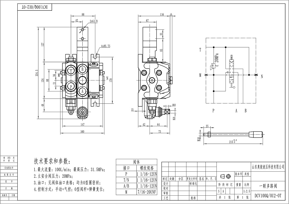
วาล์วควบคุมทิศทางแบบส่วน 1 สปูล ชนิดนิวเมติก DCV100 เป็นวาล์วไฮดรอลิกประสิทธิภาพสูงที่ออกแบบมาสำหรับการใช้งานในอุตสาหกรรมที่หลากหลาย ด้วยอัตราการไหลที่กำหนด 100 ลิตร/นาที และแรงดันสูงสุด 350 บาร์ ทำให้มีความสามารถในการไหลและการจัดการแรงดันที่ยอดเยี่ยม การออกแบบที่กะทัดรัดและเป็นโมดูลาร์ทำให้เหมาะสำหรับการติดตั้งเข้ากับระบบไฮดรอลิกต่างๆ
| ซีรีส์ DCV100 วาล์วทิศทางส่วน Parameters | |
|---|---|
| วิธีการควบคุม | ด้วยตนเอง, ลม, ไฟฟ้าลม, ไฟฟ้าไฮดรอลิก, ไฮดรอลิก, สายเคเบิล, จอยสติก, ด้วยตนเองและจอยสติก |
| สปูล | 1 สปูล, 2 สปูล, 3 สปูล, 4 สปูล, 5 สปูล, 6 สปูล, 7 สปูล, 8 สปูล, 9 สปูล, 10 สปูล, 11 สปูล, 12 สปูล |
| อัตราการไหลที่กำหนด | 100 ลิตร/นาที (26.5 แกลลอนสหรัฐ/นาที) |
| แรงดันสูงสุด | 350 บาร์ (5,100 psi) |
| พอร์ตทางเข้า | ขนาด G3/4, ขนาด M22×1.5, ขนาด M27×2.0, ขนาด SAE 10, ขนาด SAE 12, ขนาด 3/4 NPT |
| พอร์ตทางออก | ขนาด G3/4, ขนาด M22×1.5, ขนาด M27×2.0, ขนาด SAE 10, ขนาด SAE 12, ขนาด 3/4 NPT |
| ขนาดพอร์ต | ขนาด G3/4, ขนาด M22×1.5, ขนาด M27×2.0, ขนาด SAE 10, ขนาด SAE 12, ขนาด 3/4 NPT |
| ส่วน | 1 ส่วน, 2 ส่วน, 3 ส่วน, 4 ส่วน, 5 ส่วน, 6 ส่วน, 7 ส่วน, 8 ส่วน, 9 ส่วน, 10 ส่วน, 11 ส่วน, 12 ส่วน |
| ประเภทโครงสร้าง | วาล์วแบบแยกส่วน |
| ช่วงอุณหภูมิโดยรอบ | -40°C ถึง +60°C (-40°F ถึง +140°F) |
| ช่วงความหนืดในการทำงาน | 15 - 75 มม²/วินาที (15 cSt ถึง 75 cSt) |
**คุณสมบัติและประโยชน์หลัก:**
- ความสามารถในการไหลสูง 100 ลิตร/นาที เพื่อการทำงานของระบบที่มีประสิทธิภาพ
- แรงดันสูงสุด 350 บาร์ สำหรับการใช้งานที่ต้องการประสิทธิภาพสูง
- วิธีการควบคุมแบบนิวเมติกเพื่อการทำงานของวาล์วที่แม่นยำและตอบสนองได้ดี
- การออกแบบวาล์วแบบส่วนช่วยให้ปรับแต่งและเพิ่มโมดูลได้ง่าย
- ช่วงความหนืดในการทำงานกว้าง 15 - 75 มม.²/วินาที เพื่อความเข้ากันได้กับของเหลวไฮดรอลิกหลากหลายชนิด
- การออกแบบที่กะทัดรัดและน้ำหนักเบาเพื่อการติดตั้งที่ประหยัดพื้นที่
**การใช้งาน:**
วาล์วควบคุมทิศทางแบบส่วน 1 สปูล ชนิดนิวเมติก DCV100 เหมาะสำหรับการใช้งานในระบบไฮดรอลิกหลากหลายประเภท ได้แก่:
- อุปกรณ์จัดการวัสดุ
- เครื่องจักรก่อสร้างและงานดิน
- เครื่องจักรกลการเกษตร
- ยานพาหนะอุตสาหกรรม
**การใช้งานเฉพาะ:**
- รถยกยืดแขน (Telehandlers)
- รถยก (Forklifts)
- เครนทุกสภาพพื้นผิว
- รถยกพาเลท (Stackers)
- แท่นยกสูง (Aerial platforms)
- รถเกลี่ยดิน (Motor graders)
- รถขุด (Excavators)
- รถตักล้อยางขนาดเล็ก (Skid steer loaders)
- รถตักล้อยางขนาดกะทัดรัด



