จัดส่งรวดเร็ว
จัดส่งด่วน 30 วัน



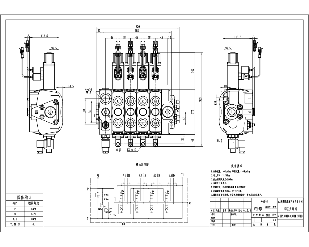
HSDLS180 เป็นวาล์วไฮดรอลิกควบคุมทิศทางแบบแบ่งส่วน 4 สปูล แบบแมนนวลที่แข็งแกร่ง พร้อมระบบปลดโหลดไฟฟ้า ออกแบบมาสำหรับการใช้งานที่มีอัตราการไหลสูงและแรงดันสูงในงานจัดการวัสดุ, การก่อสร้าง, เกษตรกรรม และยานพาหนะอุตสาหกรรม ให้การควบคุมที่เชื่อถือได้และความทนทานในสภาพแวดล้อมที่ต้องการประสิทธิภาพสูง
| SDS180 ซีรี่ส์ วาล์วทิศทางส่วน Parameters | |
|---|---|
| สปูล | 1 สปูล, 3 สปูล, 4 สปูล, 5 สปูล, 6 สปูล, 7 สปูล |
| วิธีการควบคุม | ด้วยตนเอง, ไฮดรอลิก |
| ขนาดพอร์ต | ขนาด G3/4, ขนาด G1, ขนาด SAE 12 |
| ส่วน | 1 ส่วน, 2 ส่วน, 3 ส่วน, 4 ส่วน, 5 ส่วน, 6 ส่วน, 7 ส่วน, 8 ส่วน, 9 ส่วน, 10 ส่วน |
| ช่วงอุณหภูมิโดยรอบ | -40°C ถึง +80°C (-40°F ถึง +176°F) |
| ช่วงความหนืดในการทำงาน | 12 - 400 มม²/วินาที (12 cSt ถึง 400 cSt) |
| พอร์ตทางออก | ขนาด G1, ขนาด SAE 16 |
| แรงดันสูงสุด | 350 บาร์ (5,100 psi) |
| อัตราการไหลที่กำหนด | 160 ลิตร/นาที (42.2 แกลลอนสหรัฐ/นาที) |
| ประเภทโครงสร้าง | วาล์วแบบแยกส่วน |
| พอร์ตทางเข้า | ขนาด G3/4, ขนาด G1, ขนาด SAE 12 |
วาล์วควบคุมทิศทางแบบแบ่งส่วน HSDLS180-วาล์วปลดโหลดไฟฟ้า 4 สปูลแบบแมนนวล เป็นส่วนประกอบไฮดรอลิกประสิทธิภาพสูงที่เหมาะสำหรับการใช้งานหลากหลายประเภทที่ต้องการการควบคุมระบบไฮดรอลิกที่แม่นยำและทรงพลัง คุณสมบัติหลักได้แก่:
* **อัตราการไหลสูง:** 160 ลิตร/นาที (42.2 แกลลอนต่อนาที สหรัฐฯ) ช่วยให้การทำงานมีประสิทธิภาพแม้ภายใต้ภาระหนัก
* **ทนทานต่อแรงดันสูง:** ระดับแรงดันสูงสุด 350 บาร์ (5100 ปอนด์ต่อตารางนิ้ว) รับประกันประสิทธิภาพที่เชื่อถือได้ในสภาพการใช้งานที่ต้องการประสิทธิภาพสูง
* **ช่วงความหนืดกว้าง:** วาล์วสามารถทำงานได้อย่างมีประสิทธิภาพกับของเหลวที่มีความหนืดตั้งแต่ 12 ถึง 400 mm²/s (12 cSt ถึง 400 cSt)
* **โครงสร้างทนทาน:** สร้างขึ้นเพื่อทนทานต่อสภาพแวดล้อมที่รุนแรง ด้วยช่วงอุณหภูมิการทำงานตั้งแต่ -40°C ถึง +80°C (-40°F ถึง +176°F)
* **การควบคุมด้วยมือ:** การทำงานที่ง่ายและเข้าใจง่ายผ่านการควบคุมด้วยมือ
* **การปลดโหลดไฟฟ้า:** ช่วยให้การปลดโหลดระบบไฮดรอลิกทำได้เร็วและง่ายขึ้น
* **สี่ส่วน:** ช่วยให้สามารถควบคุมฟังก์ชันไฮดรอลิกสี่ฟังก์ชันได้อย่างอิสระ
* **การออกแบบวาล์วแบบแบ่งส่วน:** ให้ความเป็นโมดูลาร์และการบำรุงรักษาง่าย
**การใช้งาน:** HSDLS180 เหมาะอย่างยิ่งสำหรับการใช้งานหลากหลายประเภท รวมถึง:
* **การจัดการวัสดุ:** รถยก, รถยกเข้าถึง, และอุปกรณ์จัดการวัสดุอื่น ๆ
* **การก่อสร้างและการเคลื่อนย้ายดิน:** รถตักแบบเลื่อน, รถตักล้อยางขนาดเล็ก, รถตักล้อยาง, รถแบ็คโฮ
* **เกษตรกรรม:** รถแทรกเตอร์, รถเก็บเกี่ยว, เครื่องอัดฟาง, และเครื่องจักรกลการเกษตรอื่น ๆ
* **ยานพาหนะอุตสาหกรรม:** เครื่องจักรกลอุตสาหกรรมต่างๆ ที่ต้องการการควบคุมไฮดรอลิกที่แม่นยำ
เราให้บริการด้านการผลิต, OEM, การติดฉลากส่วนตัว, การปรับแต่ง, และการขายส่งสำหรับวาล์วนี้ เรากำลังมองหาผู้จัดจำหน่าย, ผู้ค้าส่ง, ตัวแทน, และพันธมิตรทางการค้าทั่วโลกเพื่อขยายตลาดของเรา ติดต่อเราเพื่อหารือเกี่ยวกับความต้องการเฉพาะของคุณและสำรวจโอกาสในการเป็นพันธมิตร



