จัดส่งรวดเร็ว
จัดส่งด่วน 30 วัน



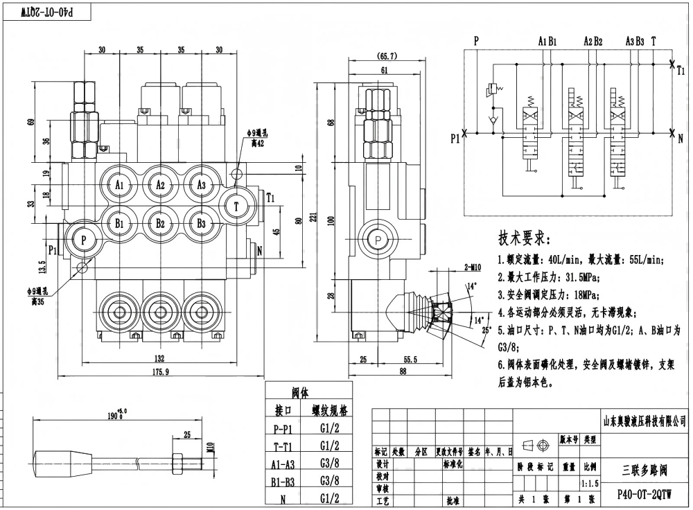
วาล์วควบคุมทิศทางแบบโมโนบล็อก 3 สปูล P40-G12-G38-OT-2QTW เป็นวาล์วไฮดรอลิกประสิทธิภาพสูงที่ออกแบบมาสำหรับการใช้งานในอุตสาหกรรมต่างๆ มีโครงสร้างแบบโมโนบล็อกที่กะทัดรัดและแข็งแรง ทนทานและเชื่อถือได้ ด้วยอัตราการไหล 40 ลิตร/นาที และแรงดันสูงสุด 250 บาร์ วาล์วนี้สามารถจัดการกับระบบไฮดรอลิกที่ต้องการได้อย่างมีประสิทธิภาพ
| P40 Series วาล์วควบคุมทิศทางแบบโมโนบล็อก Parameters | |
|---|---|
| วิธีการควบคุม | ด้วยตนเอง, ลม, ไฟฟ้าลม, ไฟฟ้าไฮดรอลิก, โซลินอยด์, ไฮดรอลิก, ไฮดรอลิกและแบบแมนนวล, สายเคเบิล, จอยสติก, ด้วยตนเองและจอยสติก |
| สปูล | 1 สปูล, 2 สปูล, 3 สปูล, 4 สปูล, 5 สปูล, 6 สปูล, 7 สปูล |
| อัตราการไหลที่กำหนด | 40 ลิตร/นาที (10.5 แกลลอนสหรัฐ/นาที) |
| แรงดันสูงสุด | 250 บาร์ (3,600 psi) |
| พอร์ตทางเข้า | ขนาด G3/8, ขนาด G1/2, ขนาด M18×1.5, ขนาด M22×1.5, ขนาด SAE 8, ขนาด SAE 10, ขนาด 3/8 NPT, ขนาด 1/2 NPT |
| พอร์ตทางออก | ขนาด G3/8, ขนาด G1/2, ขนาด M18×1.5, ขนาด M22×1.5, ขนาด SAE 8, ขนาด SAE 10, ขนาด 3/8 NPT, ขนาด 1/2 NPT |
| ขนาดพอร์ต | ขนาด G3/8, ขนาด G1/2, ขนาด M18×1.5, ขนาด SAE 8, ขนาด SAE 10, ขนาด 3/8 NPT, ขนาด 1/2 NPT |
| ส่วน | 1 ส่วน, 2 ส่วน, 3 ส่วน, 4 ส่วน, 5 ส่วน, 6 ส่วน, 7 ส่วน |
| ประเภทโครงสร้าง | วาล์วแบบโมโนบล็อก |
| ช่วงอุณหภูมิโดยรอบ | -40°C ถึง +80°C (-40°F ถึง +176°F) |
| ช่วงความหนืดในการทำงาน | 15 - 75 มม²/วินาที (15 cSt ถึง 75 cSt) |
**คุณสมบัติและประโยชน์ของผลิตภัณฑ์:**
* การควบคุมด้วยมือเพื่อการทำงานที่แม่นยำและตอบสนองได้ดี
* การออกแบบ 3 สปูลช่วยให้ควบคุมการไหลได้อย่างหลากหลาย
* โครงสร้างแบบโมโนบล็อกเพื่อเพิ่มความแข็งแรงและความทนทาน
* ความสามารถในการไหล (40 ลิตร/นาที) เพื่อการทำงานของระบบที่มีประสิทธิภาพ
* ความสามารถในการรับแรงดันที่ยอดเยี่ยม (250 บาร์) เพื่อรองรับการใช้งานที่ต้องการสูง
* ช่วงความหนืดในการทำงานที่กว้าง (15 - 75 มม.²/วินาที) เพื่อความเข้ากันได้กับน้ำมันไฮดรอลิกหลายชนิด
* เหมาะสำหรับการใช้งานในสภาพแวดล้อมที่รุนแรง ด้วยช่วงอุณหภูมิแวดล้อม -40°C ถึง +80°C
**การใช้งาน:**
วาล์วควบคุมทิศทางแบบโมโนบล็อก 3 สปูล P40-G12-G38-OT-2QTW ถูกนำไปใช้อย่างแพร่หลายในงานอุตสาหกรรมต่างๆ รวมถึง:
* อุปกรณ์ขนถ่ายวัสดุ (รถยก, เครน, รถเทเลแฮนด์เลอร์)
* เครื่องจักรสำหรับก่อสร้างและงานดิน (รถขุด, รถตัก, รถเกรดเดอร์)
* เครื่องจักรกลการเกษตร (รถแทรกเตอร์, รถเกี่ยวข้าว, เครื่องอัดฟาง)
* ยานพาหนะอุตสาหกรรม (รถกวาดถนน, รถอัดขยะ, รถบรรทุกตะขอ)



