จัดส่งรวดเร็ว
จัดส่งด่วน 30 วัน



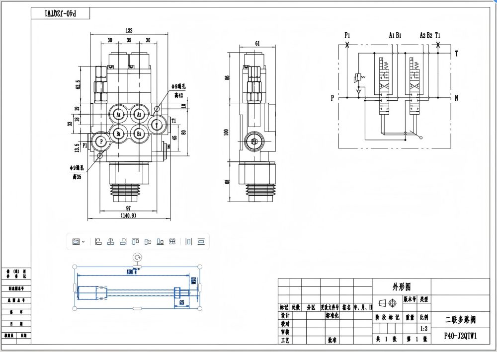
วาล์วควบคุมทิศทางแบบโมโนบล็อก P40 แบบมือโยกและจอยสติ๊ก 2 สปูล เป็นวาล์วไฮดรอลิกประสิทธิภาพสูงที่ออกแบบมาสำหรับงานที่ต้องการความแม่นยำสูง ด้วยอัตราการไหลที่กำหนด 40 ลิตร/นาที และแรงดันสูงสุด 250 บาร์ ช่วยให้สามารถควบคุมการไหลและทิศทางของของเหลวได้อย่างแม่นยำ การออกแบบแบบโมโนบล็อกที่กะทัดรัดช่วยให้มั่นใจได้ถึงความทนทานและความน่าเชื่อถือ ในขณะที่ตัวเลือกการควบคุมแบบมือโยกและจอยสติ๊กให้ความหลากหลายและง่ายต่อการใช้งาน
| P40 Series วาล์วควบคุมทิศทางแบบโมโนบล็อก Parameters | |
|---|---|
| วิธีการควบคุม | ด้วยตนเอง, ลม, ไฟฟ้าลม, ไฟฟ้าไฮดรอลิก, โซลินอยด์, ไฮดรอลิก, ไฮดรอลิกและแบบแมนนวล, สายเคเบิล, จอยสติก, ด้วยตนเองและจอยสติก |
| สปูล | 1 สปูล, 2 สปูล, 3 สปูล, 4 สปูล, 5 สปูล, 6 สปูล, 7 สปูล |
| อัตราการไหลที่กำหนด | 40 ลิตร/นาที (10.5 แกลลอนสหรัฐ/นาที) |
| แรงดันสูงสุด | 250 บาร์ (3,600 psi) |
| พอร์ตทางเข้า | ขนาด G3/8, ขนาด G1/2, ขนาด M18×1.5, ขนาด M22×1.5, ขนาด SAE 8, ขนาด SAE 10, ขนาด 3/8 NPT, ขนาด 1/2 NPT |
| พอร์ตทางออก | ขนาด G3/8, ขนาด G1/2, ขนาด M18×1.5, ขนาด M22×1.5, ขนาด SAE 8, ขนาด SAE 10, ขนาด 3/8 NPT, ขนาด 1/2 NPT |
| ขนาดพอร์ต | ขนาด G3/8, ขนาด G1/2, ขนาด M18×1.5, ขนาด SAE 8, ขนาด SAE 10, ขนาด 3/8 NPT, ขนาด 1/2 NPT |
| ส่วน | 1 ส่วน, 2 ส่วน, 3 ส่วน, 4 ส่วน, 5 ส่วน, 6 ส่วน, 7 ส่วน |
| ประเภทโครงสร้าง | วาล์วแบบโมโนบล็อก |
| ช่วงอุณหภูมิโดยรอบ | -40°C ถึง +80°C (-40°F ถึง +176°F) |
| ช่วงความหนืดในการทำงาน | 15 - 75 มม²/วินาที (15 cSt ถึง 75 cSt) |
**คุณสมบัติและประโยชน์ของผลิตภัณฑ์:**
- อัตราการไหลที่ 40 ลิตร/นาที (10.5 แกลลอนสหรัฐฯ/นาที) เพื่อการควบคุมการไหลที่มีประสิทธิภาพ
- แรงดันสูงสุด 250 บาร์ (3600 ปอนด์ต่อตารางนิ้ว) เพื่อการทำงานที่เชื่อถือได้ในระบบแรงดันสูง
- ตัวเลือกการควบคุมแบบมือโยกและจอยสติ๊กให้ความยืดหยุ่นและง่ายต่อการใช้งาน
- การออกแบบแบบโมโนบล็อกเพื่อเพิ่มความทนทานและลดการรั่วไหล
- ช่วงความหนืดในการทำงาน 15 - 75 มม.²/วินาที (15 cSt ถึง 75 cSt) เพื่อความเข้ากันได้กับของเหลวหลากหลายชนิด
- ช่วงอุณหภูมิแวดล้อม -40°C ถึง +80°C (-40°F ถึง +176°F) สำหรับการใช้งานในสภาพอุณหภูมิที่รุนแรง
**การใช้งาน:**
- อุปกรณ์ขนถ่ายวัสดุ
- เครื่องจักรสำหรับก่อสร้างและงานดิน
- เครื่องจักรกลการเกษตร
- ยานพาหนะอุตสาหกรรม



