จัดส่งรวดเร็ว
จัดส่งด่วน 30 วัน



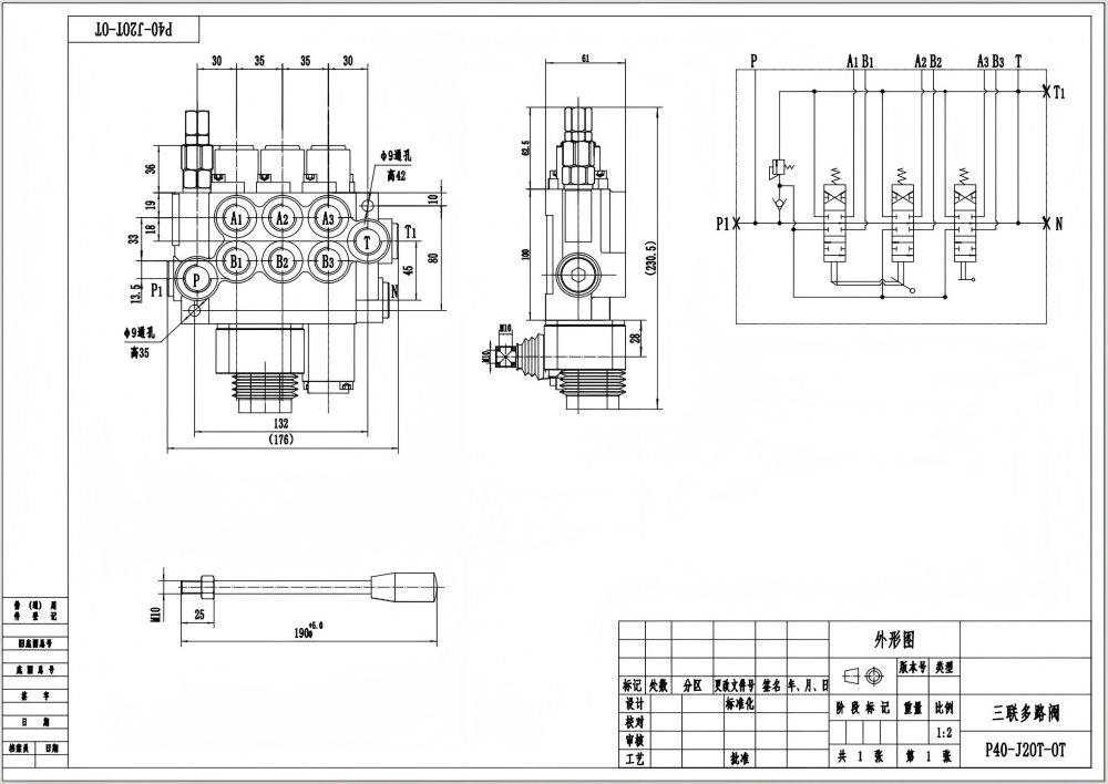
วาล์วควบคุมทิศทางแบบโมโนบล็อก P40 แบบ 3 สปูล ควบคุมด้วยมือและจอยสติ๊ก เป็นวาล์วไฮดรอลิกประสิทธิภาพสูง ออกแบบมาสำหรับการใช้งานที่ต้องการประสิทธิภาพสูงในหลากหลายอุตสาหกรรม ด้วยอัตราการไหลที่กำหนด 40 ลิตร/นาที และแรงดันสูงสุด 250 บาร์ จึงให้การควบคุมการไหลที่เชื่อถือได้และมีประสิทธิภาพ ตัวเลือกการควบคุมด้วยมือและจอยสติ๊กที่หลากหลาย ทำให้เหมาะสำหรับการทำงานที่แม่นยำในสถานการณ์ต่างๆ
| P40 Series วาล์วควบคุมทิศทางแบบโมโนบล็อก Parameters | |
|---|---|
| วิธีการควบคุม | ด้วยตนเอง, ลม, ไฟฟ้าลม, ไฟฟ้าไฮดรอลิก, โซลินอยด์, ไฮดรอลิก, ไฮดรอลิกและแบบแมนนวล, สายเคเบิล, จอยสติก, ด้วยตนเองและจอยสติก |
| สปูล | 1 สปูล, 2 สปูล, 3 สปูล, 4 สปูล, 5 สปูล, 6 สปูล, 7 สปูล |
| อัตราการไหลที่กำหนด | 40 ลิตร/นาที (10.5 แกลลอนสหรัฐ/นาที) |
| แรงดันสูงสุด | 250 บาร์ (3,600 psi) |
| พอร์ตทางเข้า | ขนาด G3/8, ขนาด G1/2, ขนาด M18×1.5, ขนาด M22×1.5, ขนาด SAE 8, ขนาด SAE 10, ขนาด 3/8 NPT, ขนาด 1/2 NPT |
| พอร์ตทางออก | ขนาด G3/8, ขนาด G1/2, ขนาด M18×1.5, ขนาด M22×1.5, ขนาด SAE 8, ขนาด SAE 10, ขนาด 3/8 NPT, ขนาด 1/2 NPT |
| ขนาดพอร์ต | ขนาด G3/8, ขนาด G1/2, ขนาด M18×1.5, ขนาด SAE 8, ขนาด SAE 10, ขนาด 3/8 NPT, ขนาด 1/2 NPT |
| ส่วน | 1 ส่วน, 2 ส่วน, 3 ส่วน, 4 ส่วน, 5 ส่วน, 6 ส่วน, 7 ส่วน |
| ประเภทโครงสร้าง | วาล์วแบบโมโนบล็อก |
| ช่วงอุณหภูมิโดยรอบ | -40°C ถึง +80°C (-40°F ถึง +176°F) |
| ช่วงความหนืดในการทำงาน | 15 - 75 มม²/วินาที (15 cSt ถึง 75 cSt) |
**คุณสมบัติและประโยชน์ของผลิตภัณฑ์:**
* การควบคุมด้วยมือและจอยสติ๊กเพื่อการทำงานที่แม่นยำและหลากหลาย
* การออกแบบ 3 สปูลสำหรับการควบคุมวงจรไฮดรอลิกหลายวงจรอย่างอิสระ
* โครงสร้างแบบโมโนบล็อกเพื่อขนาดที่กะทัดรัดและลดการรั่วไหล
* อัตราการไหลที่กำหนด 40 ลิตร/นาที เพื่อประสิทธิภาพการทำงานที่ทรงพลัง
* แรงดันสูงสุด 250 บาร์ สำหรับการใช้งานที่ต้องการประสิทธิภาพสูง
* ช่วงความหนืดในการทำงาน 15 - 75 ตร.มม./วินาที เพื่อความเข้ากันได้กับของไหลไฮดรอลิกหลากหลายชนิด
* ช่วงอุณหภูมิแวดล้อม -40°C ถึง +80°C สำหรับการทำงานในสภาพแวดล้อมที่หลากหลาย
**การใช้งาน:**
วาล์วควบคุมทิศทางแบบโมโนบล็อก P40 แบบ 3 สปูล ควบคุมด้วยมือและจอยสติ๊ก ถูกนำมาใช้อย่างแพร่หลายในอุตสาหกรรมต่างๆ รวมถึง:
* อุปกรณ์จัดการวัสดุ (รถยก, รถเทเลแฮนด์เลอร์, เครื่องเรียงซ้อน)
* เครื่องจักรกลก่อสร้าง (รถขุด, รถตัก, เครน)
* เครื่องจักรกลการเกษตร (รถแทรกเตอร์, เครื่องเก็บเกี่ยว, เครื่องอัดฟาง)
* ยานพาหนะอุตสาหกรรม (รถกวาดถนน, เครื่องอัดขยะ, รถบรรทุกติดตะขอ)



