จัดส่งรวดเร็ว
จัดส่งด่วน 30 วัน



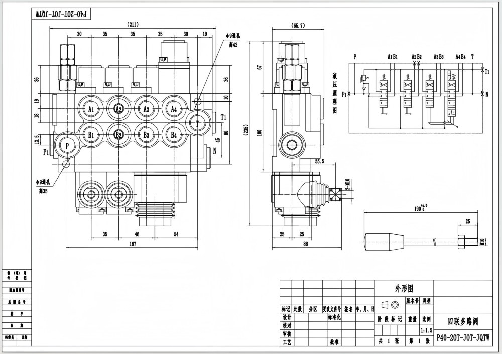
วาล์วควบคุมทิศทางแบบโมโนบล็อก P40 ชนิดแมนนวลและจอยสติ๊ก 4 สปูล เป็นวาล์วไฮดรอลิกประสิทธิภาพสูงที่ออกแบบมาสำหรับการใช้งานที่ต้องการความแม่นยำในการควบคุมการไหลของของเหลว ด้วยอัตราการไหลที่ 40 ลิตร/นาที (10.5 แกลลอนสหรัฐ/นาที) และแรงดันสูงสุด 250 บาร์ (3600 ปอนด์ต่อตารางนิ้ว) วาล์วนี้จึงเหมาะสำหรับการใช้งานที่หลากหลายในอุตสาหกรรมการจัดการวัสดุ การก่อสร้าง เกษตรกรรม และยานยนต์อุตสาหกรรม
| P40 Series วาล์วควบคุมทิศทางแบบโมโนบล็อก Parameters | |
|---|---|
| วิธีการควบคุม | ด้วยตนเอง, ลม, ไฟฟ้าลม, ไฟฟ้าไฮดรอลิก, โซลินอยด์, ไฮดรอลิก, ไฮดรอลิกและแบบแมนนวล, สายเคเบิล, จอยสติก, ด้วยตนเองและจอยสติก |
| สปูล | 1 สปูล, 2 สปูล, 3 สปูล, 4 สปูล, 5 สปูล, 6 สปูล, 7 สปูล |
| อัตราการไหลที่กำหนด | 40 ลิตร/นาที (10.5 แกลลอนสหรัฐ/นาที) |
| แรงดันสูงสุด | 250 บาร์ (3,600 psi) |
| พอร์ตทางเข้า | ขนาด G3/8, ขนาด G1/2, ขนาด M18×1.5, ขนาด M22×1.5, ขนาด SAE 8, ขนาด SAE 10, ขนาด 3/8 NPT, ขนาด 1/2 NPT |
| พอร์ตทางออก | ขนาด G3/8, ขนาด G1/2, ขนาด M18×1.5, ขนาด M22×1.5, ขนาด SAE 8, ขนาด SAE 10, ขนาด 3/8 NPT, ขนาด 1/2 NPT |
| ขนาดพอร์ต | ขนาด G3/8, ขนาด G1/2, ขนาด M18×1.5, ขนาด SAE 8, ขนาด SAE 10, ขนาด 3/8 NPT, ขนาด 1/2 NPT |
| ส่วน | 1 ส่วน, 2 ส่วน, 3 ส่วน, 4 ส่วน, 5 ส่วน, 6 ส่วน, 7 ส่วน |
| ประเภทโครงสร้าง | วาล์วแบบโมโนบล็อก |
| ช่วงอุณหภูมิโดยรอบ | -40°C ถึง +80°C (-40°F ถึง +176°F) |
| ช่วงความหนืดในการทำงาน | 15 - 75 มม²/วินาที (15 cSt ถึง 75 cSt) |
**คุณสมบัติและประโยชน์ของผลิตภัณฑ์:**
* การควบคุมแบบแมนนวลและจอยสติ๊กเพื่อการทำงานที่แม่นยำและง่ายดาย
* โครงสร้างแบบโมโนบล็อกเพื่อความทนทานที่เพิ่มขึ้นและลดการรั่วไหล
* การออกแบบ 4 สปูลสำหรับการควบคุมการไหลที่หลากหลาย
* ความสามารถในการไหล 40 ลิตร/นาที (10.5 แกลลอนสหรัฐ/นาที) เพื่อการทำงานที่มีประสิทธิภาพ
* แรงดันสูงสุด 250 บาร์ (3600 ปอนด์ต่อตารางนิ้ว) สำหรับการใช้งานที่ต้องการสูง
* ช่วงความหนืดในการทำงานกว้าง 15 - 75 มม.²/วินาที (15 cSt ถึง 75 cSt) เพื่อความเข้ากันได้กับของเหลวหลากหลายชนิด
* ช่วงอุณหภูมิแวดล้อมกว้าง -40°C ถึง +80°C (-40°F ถึง +176°F) สำหรับการใช้งานในสภาพแวดล้อมที่รุนแรง
**การใช้งาน:**
* อุปกรณ์จัดการวัสดุ เช่น รถยก, รถยกแบบยืดได้ (telehandlers) และรถเครน
* อุปกรณ์ก่อสร้าง เช่น รถขุด, รถตัก และรถเกลี่ยดิน
* เครื่องจักรกลการเกษตร เช่น รถแทรกเตอร์และรถเกี่ยวข้าว
* ยานพาหนะอุตสาหกรรม เช่น รถกวาด, รถบด และรถจัดการขยะ



