จัดส่งรวดเร็ว
จัดส่งด่วน 30 วัน



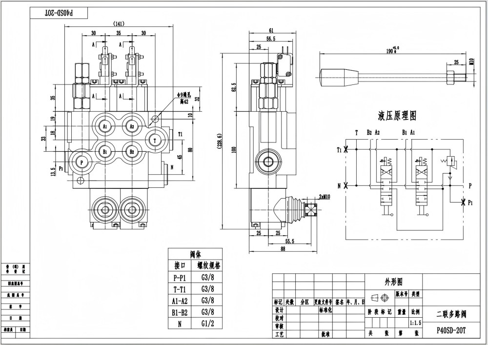
วาล์วควบคุมทิศทางแบบโมโนบล็อก 2 สปูล แบบแมนนวล P40 ไมโครสวิตช์ เป็นวาล์วขนาดกะทัดรัดและมีประสิทธิภาพสูง ออกแบบมาสำหรับการใช้งานที่หลากหลายในด้านการขนถ่ายวัสดุ, การก่อสร้างและการเคลื่อนย้ายดิน, เกษตรกรรม, และยานพาหนะอุตสาหกรรม ด้วยการควบคุมแบบแมนนวล, การออกแบบ 2 ส่วน, และอัตราการไหล 40 ลิตร/นาที วาล์วนี้จึงให้การควบคุมการไหลที่เชื่อถือได้และมีประสิทธิภาพในระบบไฮดรอลิก
| P40 Series วาล์วควบคุมทิศทางแบบโมโนบล็อก Parameters | |
|---|---|
| วิธีการควบคุม | ด้วยตนเอง, ลม, ไฟฟ้าลม, ไฟฟ้าไฮดรอลิก, โซลินอยด์, ไฮดรอลิก, ไฮดรอลิกและแบบแมนนวล, สายเคเบิล, จอยสติก, ด้วยตนเองและจอยสติก |
| สปูล | 1 สปูล, 2 สปูล, 3 สปูล, 4 สปูล, 5 สปูล, 6 สปูล, 7 สปูล |
| อัตราการไหลที่กำหนด | 40 ลิตร/นาที (10.5 แกลลอนสหรัฐ/นาที) |
| แรงดันสูงสุด | 250 บาร์ (3,600 psi) |
| พอร์ตทางเข้า | ขนาด G3/8, ขนาด G1/2, ขนาด M18×1.5, ขนาด M22×1.5, ขนาด SAE 8, ขนาด SAE 10, ขนาด 3/8 NPT, ขนาด 1/2 NPT |
| พอร์ตทางออก | ขนาด G3/8, ขนาด G1/2, ขนาด M18×1.5, ขนาด M22×1.5, ขนาด SAE 8, ขนาด SAE 10, ขนาด 3/8 NPT, ขนาด 1/2 NPT |
| ขนาดพอร์ต | ขนาด G3/8, ขนาด G1/2, ขนาด M18×1.5, ขนาด SAE 8, ขนาด SAE 10, ขนาด 3/8 NPT, ขนาด 1/2 NPT |
| ส่วน | 1 ส่วน, 2 ส่วน, 3 ส่วน, 4 ส่วน, 5 ส่วน, 6 ส่วน, 7 ส่วน |
| ประเภทโครงสร้าง | วาล์วแบบโมโนบล็อก |
| ช่วงอุณหภูมิโดยรอบ | -40°C ถึง +80°C (-40°F ถึง +176°F) |
| ช่วงความหนืดในการทำงาน | 15 - 75 มม²/วินาที (15 cSt ถึง 75 cSt) |
**คุณสมบัติและประโยชน์ของผลิตภัณฑ์:**
* การควบคุมด้วยมือเพื่อการทำงานที่แม่นยำและตอบสนองได้ดี
* การออกแบบ 2 ส่วนเพื่อการควบคุมการไหลที่หลากหลาย
* ขนาดกะทัดรัดสำหรับการติดตั้งง่ายในพื้นที่จำกัด
* อัตราการไหลสูงถึง 40 ลิตร/นาที เพื่อการทำงานของระบบที่มีประสิทธิภาพ
* แรงดันสูงสุด 250 บาร์ สำหรับการใช้งานที่ต้องการสูง
* ช่วงความหนืดในการทำงานกว้างเพื่อความเข้ากันได้กับของไหลไฮดรอลิกหลากหลายชนิด
* ได้รับการรับรอง CE เพื่อให้เป็นไปตามมาตรฐานความปลอดภัยของยุโรป
**การใช้งาน:**
วาล์วควบคุมทิศทางแบบโมโนบล็อก 2 สปูล แบบแมนนวล P40 ไมโครสวิตช์ เหมาะสำหรับการใช้งานที่หลากหลาย รวมถึง:
* อุปกรณ์ขนถ่ายวัสดุ
* เครื่องจักรสำหรับงานก่อสร้างและงานเคลื่อนย้ายดิน
* ยานพาหนะทางการเกษตร
* ยานพาหนะอุตสาหกรรม
* อุปกรณ์ป่าไม้



