จัดส่งรวดเร็ว
จัดส่งด่วน 30 วัน



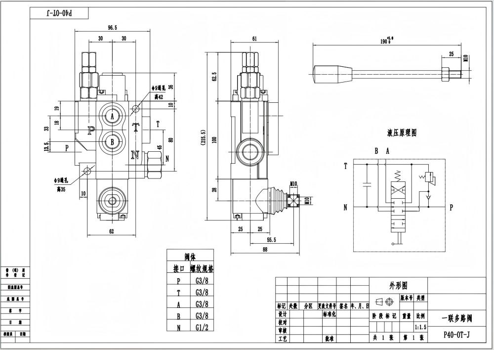
วาล์วควบคุมทิศทางแบบโมโนบล็อก P40J แบบแมนนวล 1 สปูล เป็นวาล์วไฮดรอลิกประสิทธิภาพสูงที่ออกแบบมาเพื่อการควบคุมการไหลที่แม่นยำในระบบไฮดรอลิกต่างๆ ด้วยอัตราการไหลที่กำหนด 40 ลิตร/นาที และแรงดันสูงสุด 250 บาร์ วาล์วนี้จึงให้การทำงานที่เชื่อถือได้และมีประสิทธิภาพ การออกแบบแบบโมโนบล็อกที่กะทัดรัดช่วยให้มั่นใจได้ถึงความทนทานและติดตั้งง่าย
| P40 Series วาล์วควบคุมทิศทางแบบโมโนบล็อก Parameters | |
|---|---|
| วิธีการควบคุม | ด้วยตนเอง, ลม, ไฟฟ้าลม, ไฟฟ้าไฮดรอลิก, โซลินอยด์, ไฮดรอลิก, ไฮดรอลิกและแบบแมนนวล, สายเคเบิล, จอยสติก, ด้วยตนเองและจอยสติก |
| สปูล | 1 สปูล, 2 สปูล, 3 สปูล, 4 สปูล, 5 สปูล, 6 สปูล, 7 สปูล |
| อัตราการไหลที่กำหนด | 40 ลิตร/นาที (10.5 แกลลอนสหรัฐ/นาที) |
| แรงดันสูงสุด | 250 บาร์ (3,600 psi) |
| พอร์ตทางเข้า | ขนาด G3/8, ขนาด G1/2, ขนาด M18×1.5, ขนาด M22×1.5, ขนาด SAE 8, ขนาด SAE 10, ขนาด 3/8 NPT, ขนาด 1/2 NPT |
| พอร์ตทางออก | ขนาด G3/8, ขนาด G1/2, ขนาด M18×1.5, ขนาด M22×1.5, ขนาด SAE 8, ขนาด SAE 10, ขนาด 3/8 NPT, ขนาด 1/2 NPT |
| ขนาดพอร์ต | ขนาด G3/8, ขนาด G1/2, ขนาด M18×1.5, ขนาด SAE 8, ขนาด SAE 10, ขนาด 3/8 NPT, ขนาด 1/2 NPT |
| ส่วน | 1 ส่วน, 2 ส่วน, 3 ส่วน, 4 ส่วน, 5 ส่วน, 6 ส่วน, 7 ส่วน |
| ประเภทโครงสร้าง | วาล์วแบบโมโนบล็อก |
| ช่วงอุณหภูมิโดยรอบ | -40°C ถึง +80°C (-40°F ถึง +176°F) |
| ช่วงความหนืดในการทำงาน | 15 - 75 มม²/วินาที (15 cSt ถึง 75 cSt) |
**คุณสมบัติและประโยชน์ของผลิตภัณฑ์:**
- การควบคุมด้วยมือเพื่อการควบคุมการไหลที่แม่นยำ
- โครงสร้างแบบโมโนบล็อกเพื่อความทนทานและขนาดกะทัดรัด
- อัตราการไหลที่กำหนด 40 ลิตร/นาที เพื่อประสิทธิภาพของระบบ
- แรงดันสูงสุด 250 บาร์ สำหรับการใช้งานที่ต้องการประสิทธิภาพสูง
- ช่วงความหนืดในการทำงานที่กว้าง (15 - 75 มม.²/วินาที) เพื่อความเข้ากันได้กับของเหลวหลากหลายชนิด
- ช่วงอุณหภูมิในการทำงานตั้งแต่ -40°C ถึง +80°C เพื่อประสิทธิภาพที่เชื่อถือได้ในสภาพแวดล้อมที่หลากหลาย
**การใช้งาน:**
- ระบบไฮดรอลิกในอุปกรณ์ก่อสร้าง
- เครื่องจักรกลการเกษตร
- ยานพาหนะอุตสาหกรรม
- อุปกรณ์ขนถ่ายวัสดุ
- รถยกตีนตะขาบ (หรือ รถตักอเนกประสงค์)
- รถยก (โฟล์คลิฟท์)
- รถเครนทุกสภาพพื้นผิว
- เครื่องเรียงซ้อน (สแตกเกอร์)
- แท่นยกสูง (รถกระเช้าไฟฟ้า)
- รถเกรด (มอเตอร์เกรดเดอร์)
- รถขุด
- รถตักล้อยางขนาดเล็ก (สคิดสเตียร์โลเดอร์)
- รถตักล้อยางขนาดเล็ก



