จัดส่งรวดเร็ว
จัดส่งด่วน 30 วัน



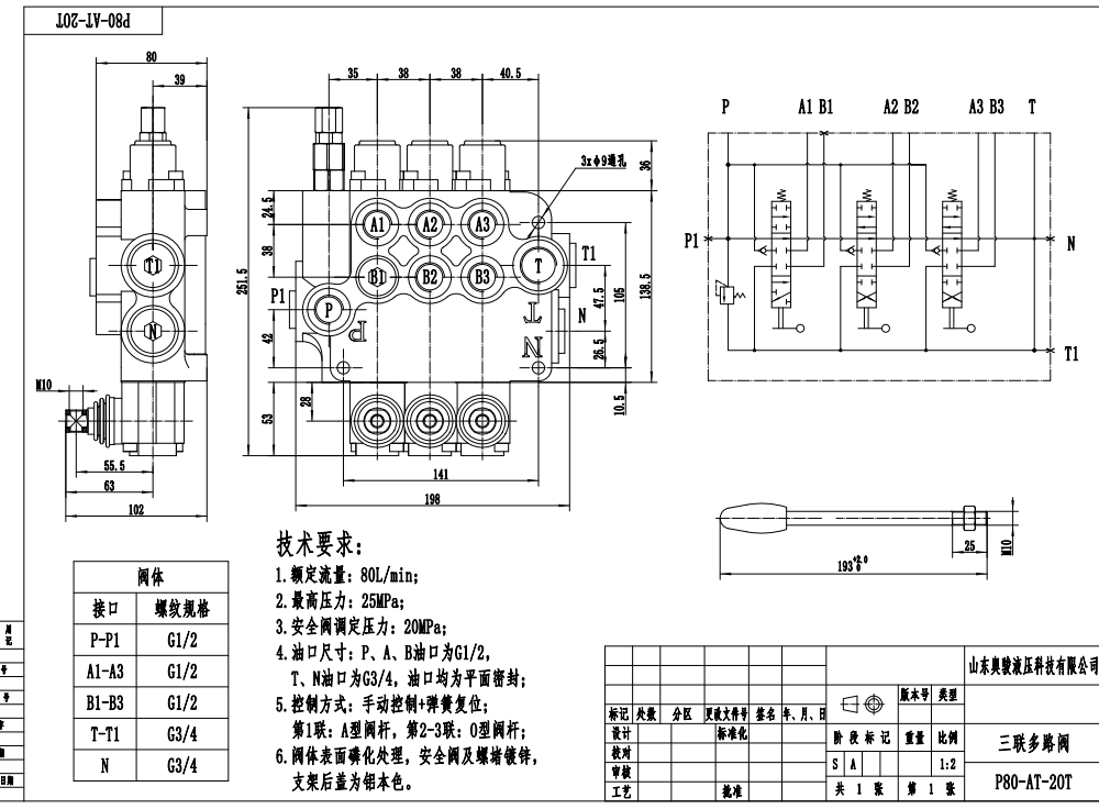
วาล์วควบคุมทิศทางแบบโมโนบล็อก 3 สปูล P80-G12-G34-AT-2OT แบบแมนนวล เป็นวาล์วอัตราการไหลสูง แรงดันสูง ที่ออกแบบมาสำหรับการใช้งานไฮดรอลิกที่ต้องการประสิทธิภาพสูง มีวิธีการควบคุมแบบแมนนวล การออกแบบ 3 สปูล และโครงสร้างแบบโมโนบล็อกเพื่อเพิ่มความทนทานและความน่าเชื่อถือ ด้วยอัตราการไหลที่ 80 ลิตร/นาที และแรงดันสูงสุด 250 บาร์ วาล์วนี้จึงเหมาะสำหรับการใช้งานหลากหลายประเภทในด้านการจัดการวัสดุ การก่อสร้างและการเคลื่อนย้ายดิน การเกษตร และยานยนต์อุตสาหกรรม
| P80 ซีรีส์ วาล์วควบคุมทิศทางแบบโมโนบล็อก Parameters | |
|---|---|
| สปูล | 1 สปูล, 2 สปูล, 3 สปูล, 4 สปูล, 5 สปูล, 6 สปูล, 7 สปูล |
| วิธีการควบคุม | ด้วยตนเอง, ลม, ไฟฟ้าลม, ไฟฟ้าไฮดรอลิก, โซลินอยด์, ไฮดรอลิก, ไฮดรอลิกและแบบแมนนวล, สายเคเบิล, จอยสติก |
| ขนาดพอร์ต | ขนาด G1/2, ขนาด G3/4, ขนาด M22×1.5, ขนาด M27×2.0, ขนาด SAE 10, ขนาด 1/2 NPT, ขนาด 3/4 NPT |
| ส่วน | 1 ส่วน, 2 ส่วน, 3 ส่วน, 4 ส่วน, 5 ส่วน, 6 ส่วน, 7 ส่วน |
| ช่วงอุณหภูมิโดยรอบ | -40°C ถึง +80°C (-40°F ถึง +176°F) |
| ช่วงความหนืดในการทำงาน | 15 - 75 มม²/วินาที (15 cSt ถึง 75 cSt) |
| แรงดันสูงสุด | 315 บาร์ (4,600 psi) |
| อัตราการไหลที่กำหนด | 80 ลิตร/นาที (21.2 แกลลอนสหรัฐ/นาที) |
| ประเภทโครงสร้าง | วาล์วแบบโมโนบล็อก |
| พอร์ตทางเข้า | ขนาด G1/2, ขนาด G3/4, ขนาด M27×2.0, ขนาด SAE 10, ขนาด SAE 12, ขนาด 1/2 NPT, ขนาด 3/4 NPT |
**คุณสมบัติและประโยชน์ของผลิตภัณฑ์:**
* อัตราการไหลสูงถึง 80 ลิตร/นาที เพื่อการทำงานที่มีประสิทธิภาพ
* อัตราแรงดันสูงถึง 250 บาร์ สำหรับการใช้งานที่ต้องการประสิทธิภาพสูง
* วิธีการควบคุมแบบแมนนวลเพื่อการทำงานที่แม่นยำและตอบสนองได้ดี
* การออกแบบ 3 สปูลเพื่อการควบคุมฟังก์ชันไฮดรอลิกหลายอย่างได้อย่างหลากหลาย
* โครงสร้างแบบโมโนบล็อกเพื่อเพิ่มความทนทานและลดการรั่วไหล
* ช่วงความหนืดในการทำงานกว้าง 15 - 75 มม.²/วินาที เพื่อความเข้ากันได้กับของเหลวไฮดรอลิกหลากหลายชนิด
* ช่วงอุณหภูมิแวดล้อมกว้าง -40°C ถึง +80°C เพื่อประสิทธิภาพที่เชื่อถือได้ในสภาพอากาศที่รุนแรง
**การใช้งาน:**
* การจัดการวัสดุ: รถยก, เทเลแฮนด์เลอร์, เครน, รถยกจัดเรียง, แท่นทำงานทางอากาศ
* การก่อสร้างและการเคลื่อนย้ายดิน: รถขุด, รถตักตีนตะขาบขนาดเล็ก, รถตักล้อยางขนาดกะทัดรัด, รถเกลี่ยดิน
* การเกษตร: รถแทรกเตอร์, เครื่องเก็บเกี่ยว, เครื่องอัดฟาง, เครื่องพ่นสารเคมี
* ยานยนต์อุตสาหกรรม: รถกวาดถนน, รถอัดขยะ, รถยกคอนเทนเนอร์, รถยกขอเกี่ยว



