จัดส่งรวดเร็ว
จัดส่งด่วน 30 วัน



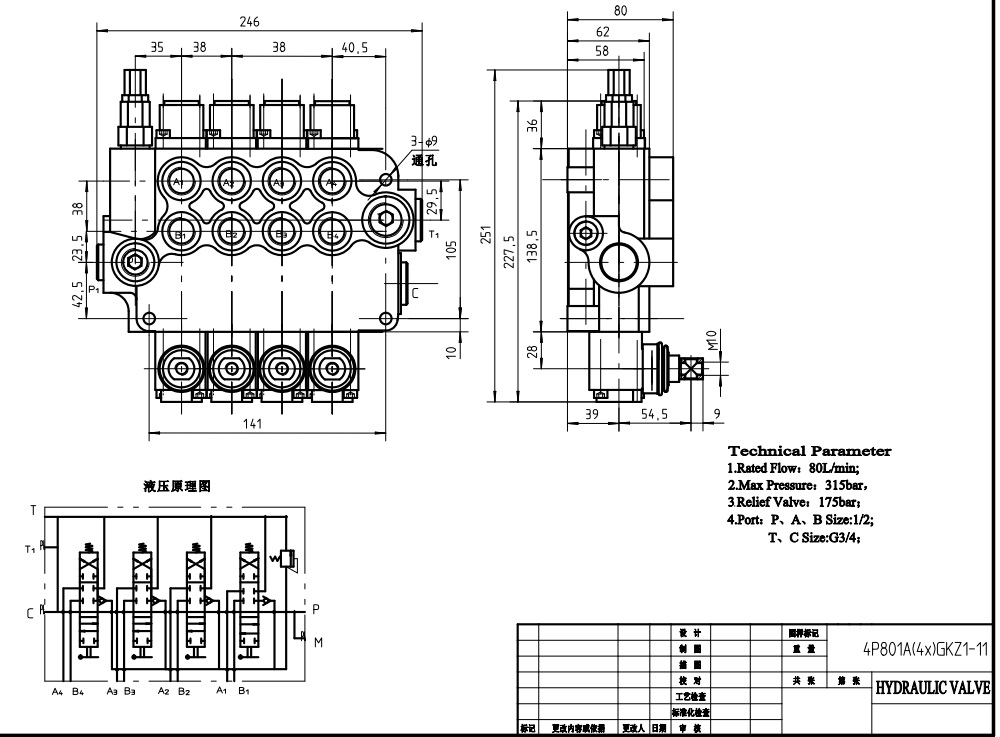
วาล์วควบคุมทิศทางแบบโมโนบล็อก 4 สปูล รุ่น P80-G12-G34-OT แบบแมนนวล เป็นส่วนประกอบที่ใช้งานได้หลากหลายและทนทานสูง ซึ่งออกแบบมาสำหรับงานไฮดรอลิกหลากหลายประเภท ด้วยอัตราการไหลที่กำหนด 80 ลิตร/นาที (21.2 แกลลอนสหรัฐฯ/นาที) และแรงดันสูงสุด 250 บาร์ (3600 ปอนด์ต่อตารางนิ้ว) วาล์วนี้จึงสามารถรองรับระบบไฮดรอลิกที่มีความต้องการสูงได้ การออกแบบแบบโมโนบล็อกที่กะทัดรัดช่วยให้ติดตั้งและบำรุงรักษาได้ง่าย
| P80 ซีรีส์ วาล์วควบคุมทิศทางแบบโมโนบล็อก Parameters | |
|---|---|
| สปูล | 1 สปูล, 2 สปูล, 3 สปูล, 4 สปูล, 5 สปูล, 6 สปูล, 7 สปูล |
| วิธีการควบคุม | ด้วยตนเอง, ลม, ไฟฟ้าลม, ไฟฟ้าไฮดรอลิก, โซลินอยด์, ไฮดรอลิก, ไฮดรอลิกและแบบแมนนวล, สายเคเบิล, จอยสติก |
| ขนาดพอร์ต | ขนาด G1/2, ขนาด G3/4, ขนาด M22×1.5, ขนาด M27×2.0, ขนาด SAE 10, ขนาด 1/2 NPT, ขนาด 3/4 NPT |
| ส่วน | 1 ส่วน, 2 ส่วน, 3 ส่วน, 4 ส่วน, 5 ส่วน, 6 ส่วน, 7 ส่วน |
| ช่วงอุณหภูมิโดยรอบ | -40°C ถึง +80°C (-40°F ถึง +176°F) |
| ช่วงความหนืดในการทำงาน | 15 - 75 มม²/วินาที (15 cSt ถึง 75 cSt) |
| แรงดันสูงสุด | 315 บาร์ (4,600 psi) |
| อัตราการไหลที่กำหนด | 80 ลิตร/นาที (21.2 แกลลอนสหรัฐ/นาที) |
| ประเภทโครงสร้าง | วาล์วแบบโมโนบล็อก |
| พอร์ตทางเข้า | ขนาด G1/2, ขนาด G3/4, ขนาด M27×2.0, ขนาด SAE 10, ขนาด SAE 12, ขนาด 1/2 NPT, ขนาด 3/4 NPT |
**คุณสมบัติและประโยชน์ของผลิตภัณฑ์:**
* **การออกแบบแบบโมโนบล็อกที่กะทัดรัด:** ติดตั้งและบำรุงรักษาง่าย
* **ความสามารถในการไหลสูง (80 ลิตร/นาที):** เหมาะสำหรับระบบไฮดรอลิกที่มีความต้องการสูง
* **พิกัดแรงดันสูง (250 บาร์):** สามารถทนต่อแรงดันระบบสูงได้
* **การควบคุมด้วยมือ:** การทำงานที่แม่นยำและตอบสนองได้ดี
* **ช่วงความหนืดในการทำงานกว้าง (15 - 75 มม.²/วินาที):** สามารถรองรับของไหลไฮดรอลิกได้หลากหลาย
* **โครงสร้างที่ทนทาน:** รับประกันอายุการใช้งานที่ยาวนาน
**การใช้งาน:**
วาล์วควบคุมทิศทางแบบโมโนบล็อก 4 สปูล รุ่น P80-G12-G34-OT แบบแมนนวล ใช้กันอย่างแพร่หลายในงานไฮดรอลิกต่างๆ ได้แก่:
* อุปกรณ์ขนถ่ายวัสดุ (เช่น รถยก, รถยกเทเลแฮนด์เลอร์)
* เครื่องจักรสำหรับงานก่อสร้างและงานดิน (เช่น รถขุด, รถตัก)
* เครื่องจักรกลการเกษตร (เช่น รถแทรกเตอร์, รถเก็บเกี่ยว)
* ยานพาหนะอุตสาหกรรม (เช่น รถกวาดถนน, รถอัดขยะ)



