จัดส่งรวดเร็ว
จัดส่งด่วน 30 วัน



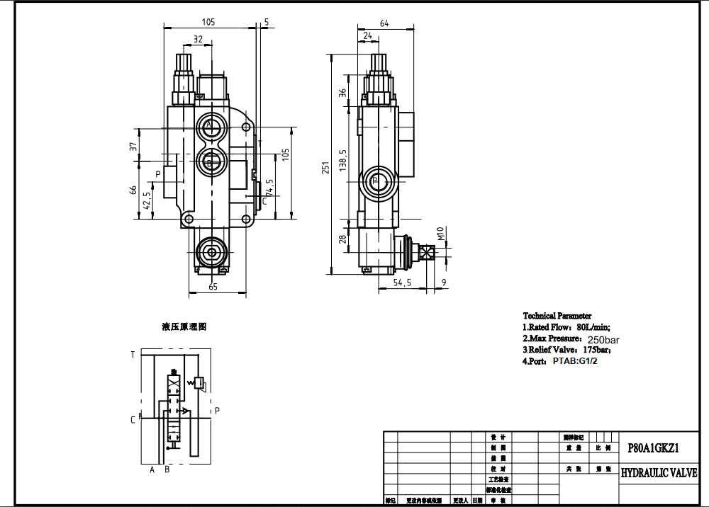
วาล์วควบคุมทิศทางแบบโมโนบล็อก P80-G12 Manual 1 Spool เป็นวาล์วไฮดรอลิกประสิทธิภาพสูงที่ออกแบบมาสำหรับการใช้งานในหลากหลายแอปพลิเคชันเคลื่อนที่ ด้วยอัตราการไหลที่ 80 ลิตร/นาที และแรงดันสูงสุด 250 บาร์ วาล์วนี้สามารถจัดการกับระบบไฮดรอลิกที่มีความต้องการสูงได้ โครงสร้างแบบโมโนบล็อกให้โซลูชันที่กะทัดรัดและทนทาน ในขณะที่การควบคุมด้วยมือช่วยให้การทำงานแม่นยำและตอบสนองได้ดี
| P80 ซีรีส์ วาล์วควบคุมทิศทางแบบโมโนบล็อก Parameters | |
|---|---|
| สปูล | 1 สปูล, 2 สปูล, 3 สปูล, 4 สปูล, 5 สปูล, 6 สปูล, 7 สปูล |
| วิธีการควบคุม | ด้วยตนเอง, ลม, ไฟฟ้าลม, ไฟฟ้าไฮดรอลิก, โซลินอยด์, ไฮดรอลิก, ไฮดรอลิกและแบบแมนนวล, สายเคเบิล, จอยสติก |
| ขนาดพอร์ต | ขนาด G1/2, ขนาด G3/4, ขนาด M22×1.5, ขนาด M27×2.0, ขนาด SAE 10, ขนาด 1/2 NPT, ขนาด 3/4 NPT |
| ส่วน | 1 ส่วน, 2 ส่วน, 3 ส่วน, 4 ส่วน, 5 ส่วน, 6 ส่วน, 7 ส่วน |
| ช่วงอุณหภูมิโดยรอบ | -40°C ถึง +80°C (-40°F ถึง +176°F) |
| ช่วงความหนืดในการทำงาน | 15 - 75 มม²/วินาที (15 cSt ถึง 75 cSt) |
| แรงดันสูงสุด | 315 บาร์ (4,600 psi) |
| อัตราการไหลที่กำหนด | 80 ลิตร/นาที (21.2 แกลลอนสหรัฐ/นาที) |
| ประเภทโครงสร้าง | วาล์วแบบโมโนบล็อก |
| พอร์ตทางเข้า | ขนาด G1/2, ขนาด G3/4, ขนาด M27×2.0, ขนาด SAE 10, ขนาด SAE 12, ขนาด 1/2 NPT, ขนาด 3/4 NPT |
**คุณสมบัติและประโยชน์ของผลิตภัณฑ์:**
* อัตราการไหล 80 ลิตร/นาที สำหรับการใช้งานที่ต้องการการไหลสูง
* แรงดันสูงสุด 250 บาร์ สำหรับระบบไฮดรอลิกที่มีความต้องการสูง
* โครงสร้างแบบโมโนบล็อกเพื่อโซลูชันที่กะทัดรัดและทนทาน
* การควบคุมด้วยมือเพื่อการทำงานที่แม่นยำและตอบสนองได้ดี
* ช่วงความหนืดในการทำงาน 15 - 75 มม.²/วินาที เพื่อความเข้ากันได้กับของเหลวไฮดรอลิกหลากหลายชนิด
* ช่วงอุณหภูมิแวดล้อม -40°C ถึง +80°C สำหรับการใช้งานในสภาพแวดล้อมที่รุนแรง
**การใช้งาน:**
วาล์วควบคุมทิศทางแบบโมโนบล็อก P80-G12 Manual 1 Spool เหมาะสำหรับการใช้งานในหลากหลายแอปพลิเคชันเคลื่อนที่ เช่น:
* อุปกรณ์ก่อสร้าง
* อุปกรณ์เกษตรกรรม
* ยานพาหนะอุตสาหกรรม
* อุปกรณ์ขนถ่ายวัสดุ
* อุปกรณ์ป่าไม้
* อุปกรณ์เหมืองแร่



