จัดส่งรวดเร็ว
จัดส่งด่วน 30 วัน



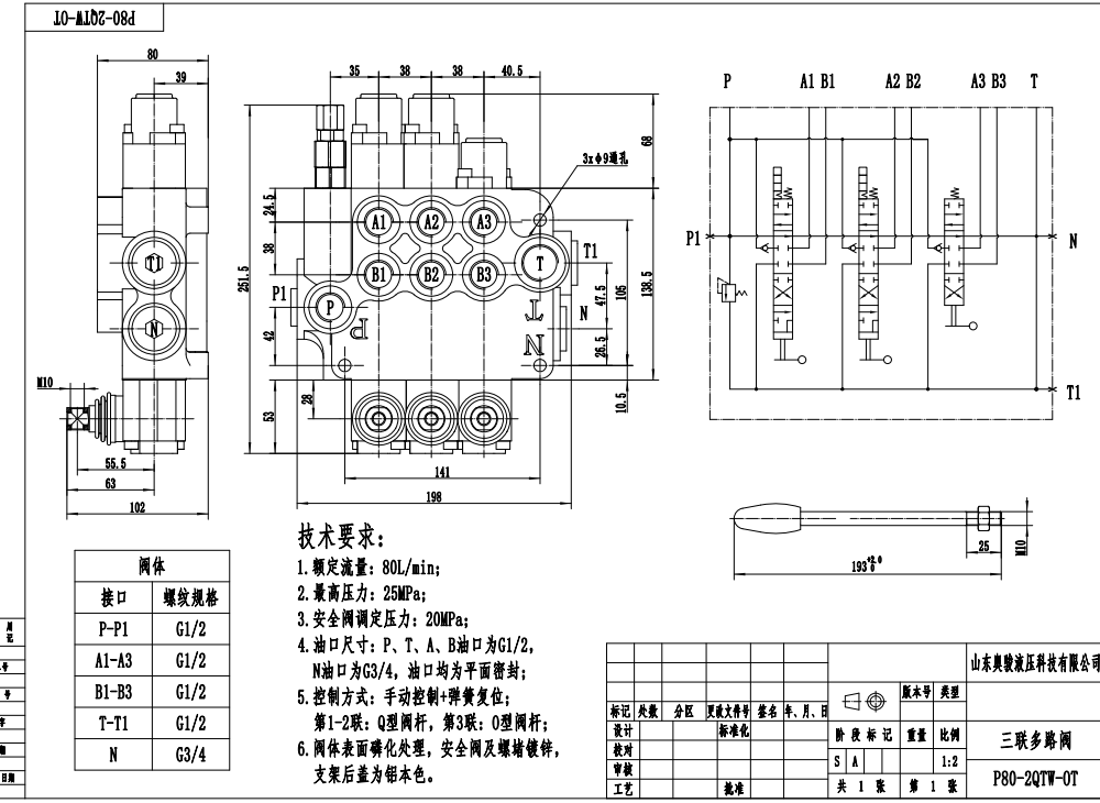
P80-G12-2QTW-OT เป็นวาล์วควบคุมทิศทางแบบโมโนบล็อก 3 สปูลที่ควบคุมด้วยมือ ซึ่งออกแบบมาสำหรับระบบไฮดรอลิก มีอัตราการไหลที่กำหนดที่ 80 ลิตร/นาที แรงดันสูงสุด 250 บาร์ และช่วงความหนืดในการทำงาน 15 - 75 มม.²/วินาที วาล์วนี้มักใช้ในงานต่างๆ ในอุตสาหกรรม เช่น การจัดการวัสดุ การก่อสร้าง การเคลื่อนย้ายดิน และเกษตรกรรม
| P80 ซีรีส์ วาล์วควบคุมทิศทางแบบโมโนบล็อก Parameters | |
|---|---|
| สปูล | 1 สปูล, 2 สปูล, 3 สปูล, 4 สปูล, 5 สปูล, 6 สปูล, 7 สปูล |
| วิธีการควบคุม | ด้วยตนเอง, ลม, ไฟฟ้าลม, ไฟฟ้าไฮดรอลิก, โซลินอยด์, ไฮดรอลิก, ไฮดรอลิกและแบบแมนนวล, สายเคเบิล, จอยสติก |
| ขนาดพอร์ต | ขนาด G1/2, ขนาด G3/4, ขนาด M22×1.5, ขนาด M27×2.0, ขนาด SAE 10, ขนาด 1/2 NPT, ขนาด 3/4 NPT |
| ส่วน | 1 ส่วน, 2 ส่วน, 3 ส่วน, 4 ส่วน, 5 ส่วน, 6 ส่วน, 7 ส่วน |
| ช่วงอุณหภูมิโดยรอบ | -40°C ถึง +80°C (-40°F ถึง +176°F) |
| ช่วงความหนืดในการทำงาน | 15 - 75 มม²/วินาที (15 cSt ถึง 75 cSt) |
| แรงดันสูงสุด | 315 บาร์ (4,600 psi) |
| อัตราการไหลที่กำหนด | 80 ลิตร/นาที (21.2 แกลลอนสหรัฐ/นาที) |
| ประเภทโครงสร้าง | วาล์วแบบโมโนบล็อก |
| พอร์ตทางเข้า | ขนาด G1/2, ขนาด G3/4, ขนาด M27×2.0, ขนาด SAE 10, ขนาด SAE 12, ขนาด 1/2 NPT, ขนาด 3/4 NPT |
**คุณสมบัติและประโยชน์ของผลิตภัณฑ์:**
* การควบคุมด้วยมือเพื่อการทำงานที่แม่นยำ
* โครงสร้างแบบโมโนบล็อกเพื่อความทนทานและขนาดกะทัดรัด
* ความสามารถในการไหลสูง 80 ลิตร/นาที เพื่อประสิทธิภาพของระบบที่ยอดเยี่ยม
* แรงดันสูงสุด 250 บาร์ สำหรับการใช้งานที่ต้องการประสิทธิภาพสูง
* ช่วงความหนืดในการทำงานที่กว้าง เพื่อความเข้ากันได้กับของเหลวไฮดรอลิกหลากหลายชนิด
* เหมาะสำหรับอุณหภูมิแวดล้อมตั้งแต่ -40°C ถึง +80°C
**การใช้งาน:**
วาล์วควบคุมทิศทาง P80-G12-2QTW-OT แบบควบคุมด้วยมือนี้มีการใช้งานอย่างกว้างขวางในระบบไฮดรอลิกของเครื่องจักรเคลื่อนที่และอุตสาหกรรม ได้แก่:
* อุปกรณ์ขนถ่ายวัสดุ เช่น รถยก รถตักยืดแขน และเครน
* เครื่องจักรก่อสร้างและเคลื่อนย้ายดิน เช่น รถขุด รถตัก และรถเกลี่ยดิน
* เครื่องจักรกลการเกษตร เช่น รถแทรกเตอร์ รถเก็บเกี่ยว และเครื่องอัดฟาง
* ยานพาหนะอุตสาหกรรม เช่น รถกวาดถนน รถอัดขยะ และรถบรรทุกแบบตะขอ



