จัดส่งรวดเร็ว
จัดส่งด่วน 30 วัน



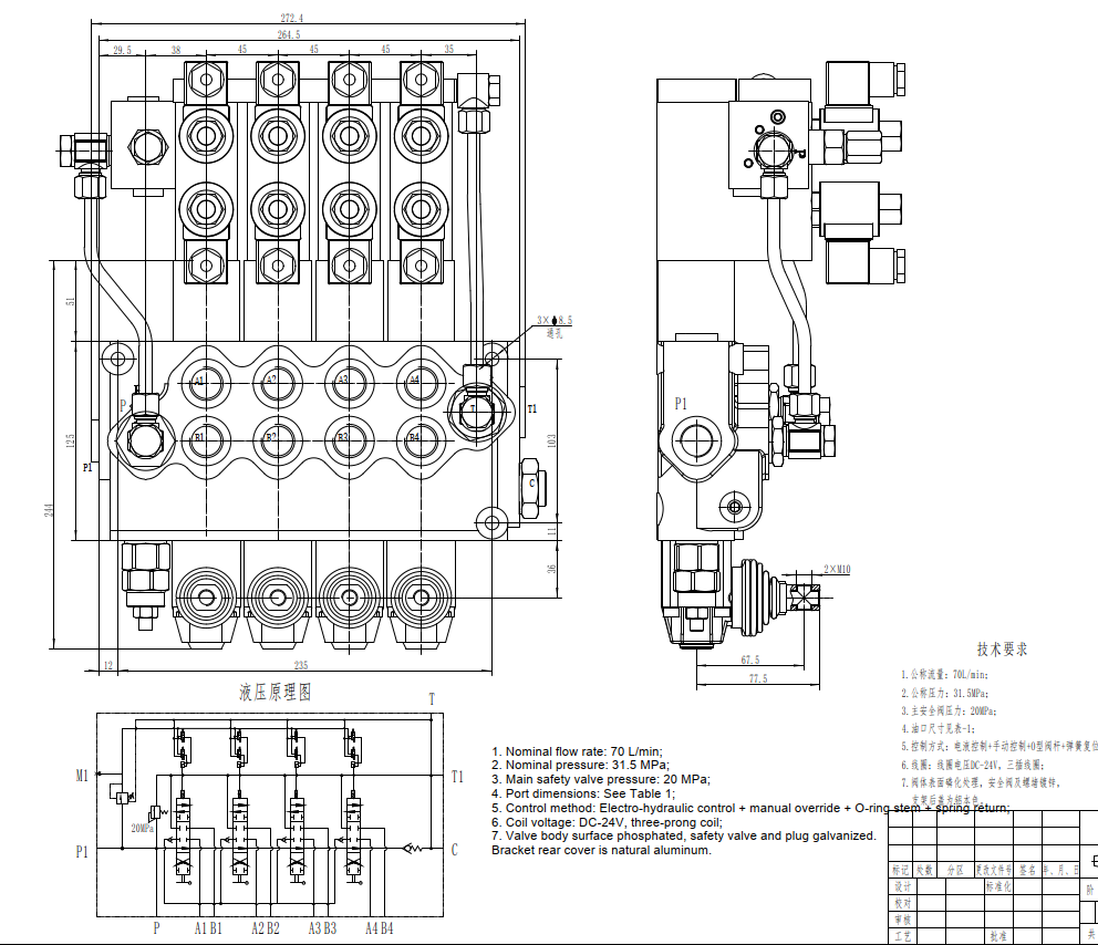
SD11-PG2 เป็นวาล์วควบคุมทิศทางแบบโมโนบล็อก 4 สปูลที่ใช้ไฟฟ้า-ไฮดรอลิกประสิทธิภาพสูง ซึ่งมีอัตราการไหล 70 ลิตร/นาที และแรงดัน 315 บาร์ เหมาะสำหรับการใช้งานที่หลากหลายในด้านการจัดการวัสดุ, การก่อสร้าง, การเกษตร และยานพาหนะอุตสาหกรรม วาล์วที่แข็งแรงนี้ให้การควบคุมที่เชื่อถือได้และการทำงานที่แม่นยำในสภาพแวดล้อมที่ต้องการสูง
| SD11 ซีรีส์ วาล์วควบคุมทิศทางแบบโมโนบล็อก Parameters | |
|---|---|
| วิธีการควบคุม | ด้วยตนเอง, ลม, ไฟฟ้าลม, ไฟฟ้าไฮดรอลิก, โซลินอยด์, ไฮดรอลิก, ไฮดรอลิกและแบบแมนนวล, สายเคเบิล, จอยสติก, ไฟฟ้า |
| สปูล | 1 สปูล, 2 สปูล, 3 สปูล, 4 สปูล, 5 สปูล |
| อัตราการไหลที่กำหนด | 70 ลิตร/นาที (18.5 แกลลอนสหรัฐ/นาที) |
| แรงดันสูงสุด | 315 บาร์ (4,600 psi) |
| พอร์ตทางเข้า | ขนาด G3/4, ขนาด SAE 12 |
| พอร์ตทางออก | ขนาด G3/4, ขนาด SAE 12 |
| ขนาดพอร์ต | ขนาด G3/4, ขนาด SAE 12 |
| ส่วน | 1 ส่วน, 2 ส่วน, 3 ส่วน, 4 ส่วน, 5 ส่วน, 6 ส่วน, 7 ส่วน |
| ประเภทโครงสร้าง | วาล์วแบบโมโนบล็อก |
| ช่วงอุณหภูมิโดยรอบ | -40°C ถึง +60°C (-40°F ถึง +140°F) |
| ช่วงความหนืดในการทำงาน | 15 - 75 มม²/วินาที (15 cSt ถึง 75 cSt) |
วาล์วควบคุมทิศทางแบบโมโนบล็อก 4 สปูล รุ่น SD11-PG2 เป็นส่วนประกอบควบคุมไฮดรอลิกประสิทธิภาพสูงที่ออกแบบมาสำหรับการใช้งานที่ต้องการ โครงสร้างแบบโมโนบล็อกช่วยให้มั่นใจได้ถึงความแข็งแรงและความน่าเชื่อถือสูง ในขณะที่การควบคุมด้วยไฟฟ้า-ไฮดรอลิกให้การทำงานที่แม่นยำและตอบสนองได้ดี ด้วยอัตราการไหลที่ 70 ลิตร/นาที และแรงดันสูงสุด 315 บาร์ จึงเหมาะสำหรับอุปกรณ์เคลื่อนที่หลากหลายประเภท ช่วงความหนืดในการทำงานที่กว้าง (15-75 มม.²/วินาที) และช่วงอุณหภูมิแวดล้อม (-40°C ถึง +60°C) ทำให้สามารถปรับให้เข้ากับสภาพการทำงานที่หลากหลาย การออกแบบ 4 สปูลให้ฟังก์ชันการควบคุมที่หลากหลาย ทำให้เหมาะสำหรับวงจรไฮดรอลิกต่างๆ วาล์วนี้เหมาะสำหรับการรวมเข้ากับ OEM ในรถยก, รถยกสูง, รถตักตีนตะขาบ, รถตักล้อยางขนาดเล็ก, รถขุดขนาดเล็ก, รถแทรกเตอร์, เครื่องเก็บเกี่ยว และเครื่องอัดฟาง การออกแบบที่กะทัดรัด โครงสร้างที่แข็งแรง และประสิทธิภาพที่เชื่อถือได้ ทำให้เป็นโซลูชันที่คุ้มค่าสำหรับการปรับปรุงประสิทธิภาพและผลผลิตของเครื่องจักรของคุณ เรานำเสนอการผลิต, OEM, การติดฉลากส่วนตัว, การปรับแต่ง และตัวเลือกการขายส่ง และกำลังมองหาผู้จัดจำหน่าย, ผู้ค้าส่ง, ตัวแทน และพันธมิตรทางการค้าทั่วโลกอย่างกระตือรือร้น



