จัดส่งรวดเร็ว
จัดส่งด่วน 30 วัน



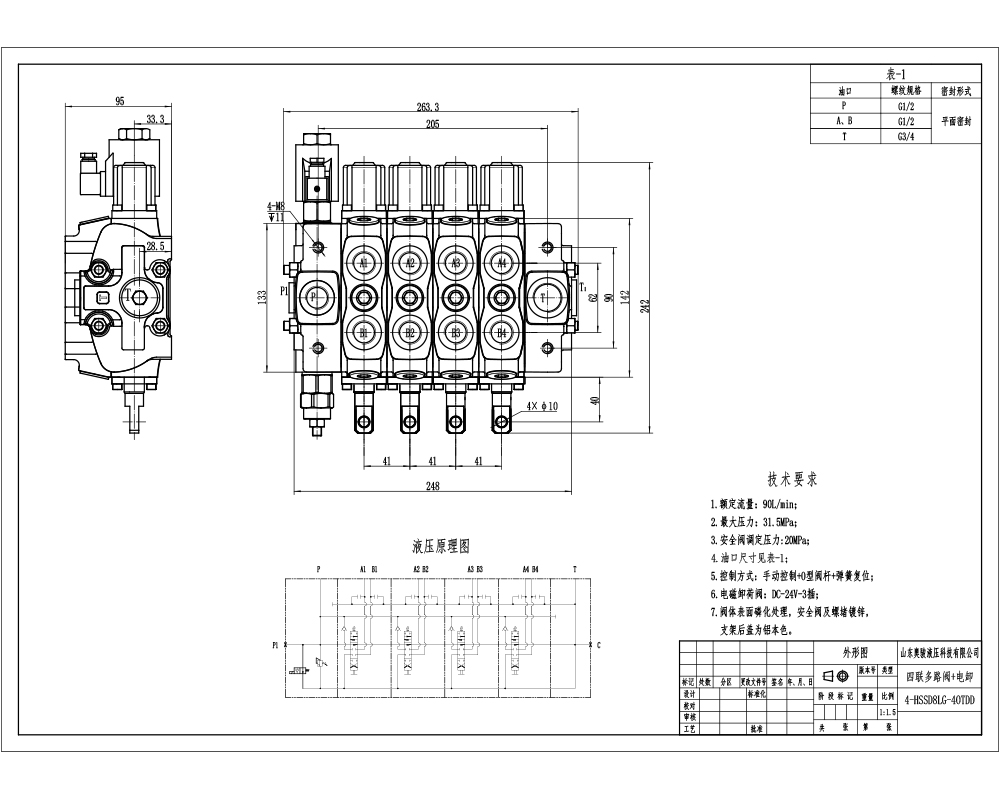
SD8-วาล์วปลดโหลดไฟฟ้าแบบแมนนวล 4 สปูล วาล์วควบคุมทิศทางแบบส่วนประกอบ เป็นวาล์วไฮดรอลิกประสิทธิภาพสูงที่ออกแบบมาสำหรับงานที่ต้องการความแม่นยำในอุตสาหกรรมต่างๆ และอุปกรณ์เคลื่อนที่ ด้วยการควบคุมแบบแมนนวล การออกแบบสปูล 4 ส่วน และโครงสร้างวาล์วแบบส่วนประกอบ ทำให้สามารถควบคุมการไหลในระบบไฮดรอลิกได้อย่างแม่นยำและเชื่อถือได้
| SD8 ซีรีส์ วาล์วทิศทางส่วน Parameters | |
|---|---|
| สปูล | 1 สปูล, 2 สปูล, 3 สปูล, 4 สปูล, 5 สปูล, 6 สปูล, 7 สปูล, 8 สปูล, 9 สปูล, 10 สปูล |
| วิธีการควบคุม | ด้วยตนเอง, ลม, ไฟฟ้าลม, ไฟฟ้าไฮดรอลิก, โซลินอยด์, ไฮดรอลิก, ไฮดรอลิกและแบบแมนนวล, สายเคเบิล, จอยสติก, โซลินอยด์และจอยสติก, ด้วยตนเองและจอยสติก |
| ขนาดพอร์ต | ขนาด G1/2, ขนาด SAE 10 |
| ส่วน | 1 ส่วน, 2 ส่วน, 3 ส่วน, 4 ส่วน, 5 ส่วน, 6 ส่วน, 7 ส่วน, 8 ส่วน, 9 ส่วน, 10 ส่วน |
| ช่วงอุณหภูมิโดยรอบ | -40°C ถึง +80°C (-40°F ถึง +176°F) |
| ช่วงความหนืดในการทำงาน | 12 - 400 มม²/วินาที (12 cSt ถึง 400 cSt) |
| พอร์ตทางออก | ขนาด G1/2, ขนาด G3/4, ขนาด SAE 10, ขนาด 3/4 NPT |
| แรงดันสูงสุด | 250 บาร์ (3,600 psi), 350 บาร์ (5,100 psi) |
| อัตราการไหลที่กำหนด | 90 ลิตร/นาที (23.8 แกลลอนสหรัฐ/นาที) |
| ประเภทโครงสร้าง | วาล์วแบบแยกส่วน |
| พอร์ตทางเข้า | ขนาด G1/2, ขนาด G3/4, ขนาด SAE 10 |
**คุณสมบัติและประโยชน์ของผลิตภัณฑ์:**
* การควบคุมด้วยมือเพื่อการทำงานที่แม่นยำและตอบสนองได้ดี
* การออกแบบสปูล 4 ส่วนเพื่อการควบคุมการไหลที่หลากหลาย
* โครงสร้างวาล์วแบบส่วนประกอบช่วยให้รวมเข้าด้วยกันและปรับเปลี่ยนได้ง่าย
* อัตราการไหล 90 ลิตร/นาที (23.8 US gpm) เพื่อประสิทธิภาพการทำงานของไฮดรอลิกที่มีประสิทธิภาพ
* แรงดันสูงสุด 350 บาร์ (5100 psi) สำหรับงานที่ต้องการแรงดันสูง
* ช่วงความหนืดในการทำงานกว้าง 12 - 400 มม.²/วินาที (12 cSt ถึง 400 cSt) เพื่อความเข้ากันได้กับของเหลวไฮดรอลิกหลายชนิด
**การใช้งาน:**
SD8-วาล์วปลดโหลดไฟฟ้าแบบแมนนวล 4 สปูล วาล์วควบคุมทิศทางแบบส่วนประกอบ เหมาะสำหรับการใช้งานที่หลากหลาย รวมถึง:
* อุปกรณ์การจัดการวัสดุ (รถยก, รถยกสูง, เครน)
* เครื่องจักรสำหรับงานก่อสร้างและงานดิน (รถขุด, รถตัก, รถเกลี่ยดิน)
* เครื่องจักรกลการเกษตร (รถแทรกเตอร์, รถเกี่ยวข้าว, เครื่องอัดฟาง)
* ยานพาหนะอุตสาหกรรม (รถกวาดพื้น, รถอัดขยะ, รถบรรทุกตะขอ)



