จัดส่งรวดเร็ว
จัดส่งด่วน 30 วัน



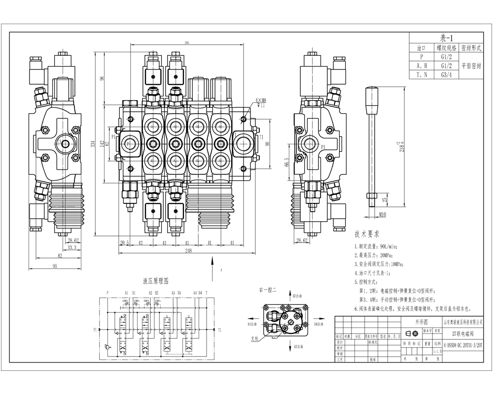
วาล์วควบคุมทิศทางแบบส่วนโซลินอยด์และจอยสติ๊ก SD8 ชนิด 4 สปูล เป็นวาล์วไฮดรอลิกประสิทธิภาพสูงที่ออกแบบมาสำหรับการใช้งานที่ต้องการความแม่นยำในอุตสาหกรรมต่างๆ ด้วยอัตราการไหลที่ 90 ลิตร/นาที แรงดันสูงสุด 350 บาร์ และช่วงความหนืดในการทำงาน 12 - 400 ตร.มม./วินาที วาล์วนี้จึงนำเสนอความสามารถในการควบคุมการไหลและการควบคุมแรงดันที่ยอดเยี่ยม
| SD8 ซีรีส์ วาล์วทิศทางส่วน Parameters | |
|---|---|
| สปูล | 1 สปูล, 2 สปูล, 3 สปูล, 4 สปูล, 5 สปูล, 6 สปูล, 7 สปูล, 8 สปูล, 9 สปูล, 10 สปูล |
| วิธีการควบคุม | ด้วยตนเอง, ลม, ไฟฟ้าลม, ไฟฟ้าไฮดรอลิก, โซลินอยด์, ไฮดรอลิก, ไฮดรอลิกและแบบแมนนวล, สายเคเบิล, จอยสติก, โซลินอยด์และจอยสติก, ด้วยตนเองและจอยสติก |
| ขนาดพอร์ต | ขนาด G1/2, ขนาด SAE 10 |
| ส่วน | 1 ส่วน, 2 ส่วน, 3 ส่วน, 4 ส่วน, 5 ส่วน, 6 ส่วน, 7 ส่วน, 8 ส่วน, 9 ส่วน, 10 ส่วน |
| ช่วงอุณหภูมิโดยรอบ | -40°C ถึง +80°C (-40°F ถึง +176°F) |
| ช่วงความหนืดในการทำงาน | 12 - 400 มม²/วินาที (12 cSt ถึง 400 cSt) |
| พอร์ตทางออก | ขนาด G1/2, ขนาด G3/4, ขนาด SAE 10, ขนาด 3/4 NPT |
| แรงดันสูงสุด | 250 บาร์ (3,600 psi), 350 บาร์ (5,100 psi) |
| อัตราการไหลที่กำหนด | 90 ลิตร/นาที (23.8 แกลลอนสหรัฐ/นาที) |
| ประเภทโครงสร้าง | วาล์วแบบแยกส่วน |
| พอร์ตทางเข้า | ขนาด G1/2, ขนาด G3/4, ขนาด SAE 10 |
**คุณสมบัติและประโยชน์ของผลิตภัณฑ์:**
* การควบคุมด้วยโซลินอยด์และจอยสติ๊กเพื่อการทำงานที่แม่นยำและตอบสนองได้ดี
* การออกแบบ 3 ส่วนเพื่อการควบคุมการไหลที่หลากหลาย
* โครงสร้างวาล์วแบบส่วนเพื่อการบำรุงรักษาและปรับแต่งที่ง่าย
* อัตราการไหลสูงและความสามารถในการรับแรงดันสูงสำหรับการใช้งานที่ต้องการประสิทธิภาพสูง
* รองรับช่วงความหนืดที่หลากหลาย
**การใช้งาน:**
* อุปกรณ์ขนถ่ายวัสดุ
* เครื่องจักรก่อสร้างและงานดิน
* ยานพาหนะทางการเกษตร
* ยานพาหนะอุตสาหกรรม
* แพลตฟอร์มทางอากาศ
* เครน
* รถขุด
* รถตักล้อยางขนาดเล็ก
* รถตักล้อยาง



