จัดส่งรวดเร็ว
จัดส่งด่วน 30 วัน



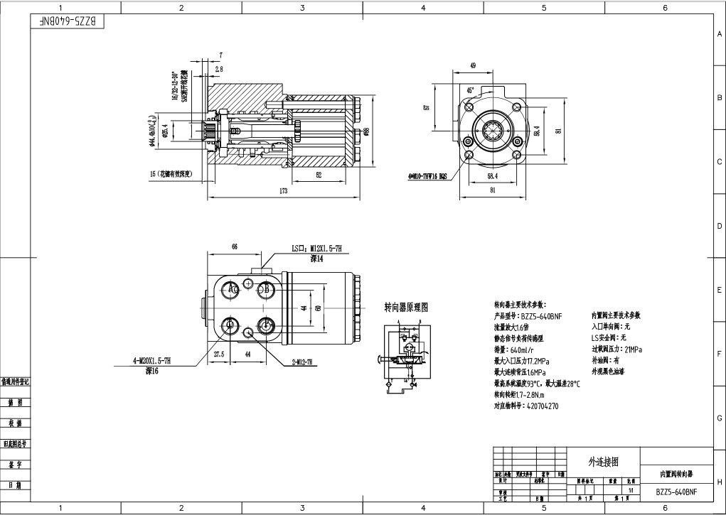
ชุดพวงมาลัย TLF-E640 เป็นชุดพวงมาลัยไฮดรอลิกประสิทธิภาพสูงที่ปรับแต่งได้ มีปริมาตรกระจัด 640 มล./รอบ ออกแบบมาสำหรับอุปกรณ์ขนถ่ายวัสดุและอุปกรณ์ก่อสร้างต่างๆ สร้างขึ้นด้วยเหล็กหล่อที่ทนทานและให้แรงดันขาเข้าสูงสุด 16 MPa ให้การควบคุมพวงมาลัยที่เชื่อถือได้และมีประสิทธิภาพ
| TLF ซีรีส์ ชุดพวงมาลัย Parameters | |
|---|---|
| ปริมาตรกระจัด | 800 มล./รอบ, 1000 มล./รอบ, 640 มล./รอบ |
| บล็อกวาล์ว | ปรับแต่งได้ |
| วัสดุ | เหล็กหล่อ |
| อัตราการไหลที่กำหนด | 48 ลิตร/นาที, 60 ลิตร/นาที, 75 ลิตร/นาที |
| ความดันกลับต่อเนื่องสูงสุด | 1.6 Mpa |
| ความดันขาเข้าสูงสุด | 16 Mpa |
ชุดพวงมาลัย TLF-E640 เป็นส่วนประกอบไฮดรอลิกที่แข็งแกร่งและเชื่อถือได้ เหมาะสำหรับการใช้งานที่หลากหลายในการขนถ่ายวัสดุและการก่อสร้าง คุณสมบัติที่สำคัญได้แก่:
* **ประสิทธิภาพสูง:** ปริมาตรกระจัด 640 มล./รอบ และอัตราการไหลที่ 48 ลิตร/นาที ทำให้มั่นใจได้ถึงการควบคุมพวงมาลัยที่ตอบสนองและแม่นยำ แม้ภายใต้ภาระหนัก
* **โครงสร้างทนทาน:** การใช้เหล็กหล่อช่วยให้มีประสิทธิภาพที่ยาวนานและทนทานต่อการสึกหรอในสภาพแวดล้อมการทำงานที่ต้องการ
* **บล็อกวาล์วที่ปรับแต่งได้:** ปรับแต่งการกำหนดค่าบล็อกวาล์วให้ตรงตามความต้องการใช้งานเฉพาะของคุณ ทำให้มีความยืดหยุ่นและการทำงานร่วมกับระบบที่มีอยู่ของคุณได้อย่างเหมาะสมที่สุด
* **ความสามารถในการรับแรงดันสูง:** แรงดันขาเข้าสูงสุด 16 MPa ช่วยให้สามารถทำงานในแอปพลิเคชันที่มีความต้องการสูง แสดงให้เห็นถึงความแข็งแกร่งและความยืดหยุ่นของชุด
* **การใช้งานที่หลากหลาย:** เหมาะสำหรับรถเทเลแฮนเดอร์, รถยก, รถตักหน้าตักหลังขุด, รถตักล้อยางขนาดกะทัดรัด, รถตักล้อยาง และรถขุดตัก ให้การควบคุมพวงมาลัยที่เหนือกว่าสำหรับอุปกรณ์ประเภทต่างๆ
* **การเข้าถึงทั่วโลก:** เรามีบริการการผลิต, OEM, ODM, การติดฉลากส่วนตัว, การปรับแต่ง และตัวเลือกการค้าส่งเพื่อตอบสนองความต้องการของลูกค้าทั่วโลก เรากำลังมองหาผู้จัดจำหน่าย, ผู้ค้าส่ง, ตัวแทน และพันธมิตรทางการค้าอย่างกระตือรือร้น
TLF-E640 เป็นโซลูชันที่สมบูรณ์แบบสำหรับผู้ผลิตและผู้ประกอบที่กำลังมองหาชุดพวงมาลัยไฮดรอลิกคุณภาพสูง เชื่อถือได้ และปรับแต่งได้สำหรับอุปกรณ์ของพวกเขา ติดต่อเราวันนี้เพื่อหารือเกี่ยวกับความต้องการเฉพาะของคุณและสำรวจโอกาสในการทำงานร่วมกัน



